
מאי 2002
סימולטור
של מטעד אלקטרו - אופטי דו - גימבלי
מנחה:ד"ר לאון ביינר

עבודה זו עוסקת בפיתוח סימולטור
למטעד אלקטרו – אופטי
דו – גימבלי .הסימולטור
אמור לדמות את היכולת לייצב את קו-הראיה של
המטעד .יכולת הייצוב של המטעד תלויה במבנה הפיזי שלו ובמערכת הבקרה שלו .מטרת
הפרויקט היא לדמות את יכולת הייצוב היות והיא פרמטר חשוב כדי להעביר למשתמש תמונה
ברורה ויציבה .
המטעד הוא אמצעי תצפית בעל יכולת כיסוי מרחבי .
יכולת זאת נובעת מטווח הכיסוי שלו .הטווח הוא בתנועת הצידוד (yaw) בזווית של
ובתנועת ההגבהה (pitch) בזווית של כ -
. בחלק הפנימי של המטעד מורכבת מצלמה שצריכה לספק למפעיל תמונה ברורה
ויציבה.
תמונה 1 – מטעד אלקטרו – אופטי דו - גימבלי

את מבנה המטעד ניתן לפשט לפי המודל הבא (תמונה 2) :גוף בעל שתי דרגות חופש – צידוד והגבהה , אשר מרכז הכובד של
החוליה הפנימית נמצא על הציר המחבר אותה לחוליה החיצונית . הדבר יגרום לכך שבעת סיבוב של החוליה הפנימית בלבד ,לא תהיה השפעה מבחינה סטטית על תנועת החוליה החיצונית.
תמונה 2 – מודל מופשט של המטעד
על סמך המודל פותחו המשוואות הדינמיות של המטעד (משוואות 1 ו – 2 ) בשתי שיטות :שיטת ניוטון – אוילר ושיטת לגרנז' .
![]()
משוואה 2 – תנועת ההגבהה
![]()
על מנת לפתח משוואות הקרובות יותר למציאות ניתן להוסיף השפעות של חיכוכים
שונים על המערכת ,כאשר מודל מקובל של חיכוך הוא החיכוך הויסקוזי .
היות והמשוואות (1 ו –2 ) הן צמודות והן אינן ליניאריות ,יש צורך לבצע ליניאריזציה על
מנת שבשלב מאוחר יותר יהיה ניתן לתכנן בקר
המבוסס על התורה הליניארית .
לאחר הליניאריזציה ,תוך הכללת החיכוך הויסקוזי ובהתחשב בעובדה כי מרכז
הכובד של החוליה הפנימית נמצא על הציר המחבר אותה לחוליה החיצונית ,מתקבלות
המשוואות הבאות :
![]()
משוואה 4 – תנועת ההגבהה
![]()
על סמך משוואות אלו (3 ו – 4 ) ניתן לתכנן בקר לחוגי הצידוד וההגבהה .הבקר הנבחר הוא מסוג רשת קידום .לאחר התכנון
התקבלו רשתות הקידום הבאות :
עבור זווית הצידוד -
![]()
כעת ניתן ליישם את השלבים
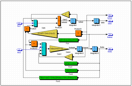
הנ"ל ולבנות את המודל הדינמי של המערכת ב - Simulink . Simulink זו תוכנת סימולציה המבוססת על בלוקים שמהווים
רכיבים של מערכות דינמיות , מהיישום מתקבל סימולטור של מטעד אשר כולל את הדינמיקה
והבקרה בחוג סגור של המטעד. הסימולטור מסוגל לקבל סוגי עירורים שונים ובתגובה
לדמות את התנהגות המטעד.

תמונה 3 – יישום משוואות התנועה
של המטעד ב – Simulink .

תמונה 4 – יישום בקרת חוג סגור ב – Simulink .

תמונה 5 – תגובה של הסימולטור שפותח .
מסקנות עיקריות
·
מבחינה פרקטית הפרויקט הוא בר
יישום .עם זאת בפרויקט זה חסרים מספר אלמנטים אשר ייהפכו אותו לכלי אשר לוקח
בחשבון את כל המרכיבים שקיימים במציאות ובכך נקבל כלי שמדמה טוב יותר את התנהגות
המערכת.
·
אימות
הפרויקט מול מערכת אמיתית הביא לתוצאות טובות אשר מחזקות את נכונות המודל שפותח.
·
פרויקט זה לא הביא בחשבון
שיקולים כלכליים ,עם זאת הפשטות שבה ניתן להוסיף אלמנטים נוספים למודל הופכת את
גורם הזמן לשולי יחסית וכתוצאה מכך השיקול הכלכלי פוחת .